Product Summary
The TLC556CDR dual lincmose timer is a monolithic timing circuit fabricated using the TI LinCMOS process, which provides full compatibility with CMOS, TTL, and MOS logic and operates at frequencies up to 2 MHz. Accurate time delays and oscillations are possible with smaller, less-expensive timing capacitors than the NE556 because of the high input impedance. Power consumption is low across the full range of power supply voltages. The TLC556CDR can be used to initiate a new timing cycle.
Parametrics
TLC556CDR absolute maximum ratings: (1)Supply voltage, VDD: 18 V; (2)Input voltage range, VI: –0.3 to VDD V; (3)Sink current, discharge or output: 150 mA; (4)Source current, output: 15 mA; (5)Operating free-air temperature range:–40 to 85 ℃; (6)Storage temperature range: –65 to 150 ℃; (7)Lead temperature 1,6 mm (1/16 inch) from case for 10 seconds D or N package: 260 ℃.
Features
TLC556CDR features: (1)Very Low Power Consumption: 2 mW, Typ at VDD = 5 V; (2)Capable of Operation in Astable Mode; (3)CMOS Output Capable of Swinging Rail to Rail; (4)High Output-Current Capability: Sink 100 mA Typ; Source 10 mA Typ; (5)Output Fully Compatible With CMOS, TTL, and MOS; (6)Low Supply Current Reduces Spikes During Output Transitions; (7)Single-Supply Operation From 2 V to 15 V.
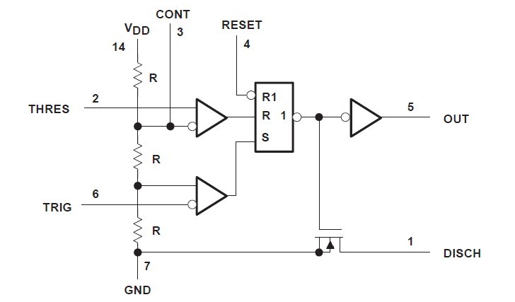
Diagrams

| Image | Part No | Mfg | Description | ![]()  | 
                            Pricing (USD)  | 
                            Quantity | ||||||||||||
|---|---|---|---|---|---|---|---|---|---|---|---|---|---|---|---|---|---|---|
![]()  | 
                            ![]() TLC556CDR  | 
                            ![]() Texas Instruments  | 
                            ![]() Timers & Support Products Dual CMOS  | 
                            ![]() Data Sheet  | 
                            ![]() 
  | 
                            
                            	 | 
                      ||||||||||||
![]()  | 
                            ![]() TLC556CDRG4  | 
                            ![]() Texas Instruments  | 
                            ![]() Timers & Support Products Dual CMOS  | 
                            ![]() Data Sheet  | 
                            ![]() 
  | 
                            
                            	 | 
                      ||||||||||||
 (China (Mainland)) 
                         
                        
                                    







