Product Summary
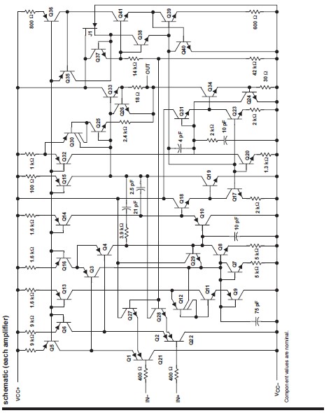
The LT1013DID is a dual precision operational amplifier, featuring high gain, low supply current, low noise, and low-offset-voltage temperature coefficient. The LT1013DID can be operated from a single 5-V power supply; the common-mode input voltage range includes ground, and the output can also swing to within a few millivolts of ground. Crossover distortion is eliminated. The LT1013DID can be operated with both dual ±15-V and single 5-V supplies.
Parametrics
LT1013DID absolute maximum ratings: (1)Supply voltage: VCC+: 22 V, VCC-: 22 V; (2)Input voltage range, VI (any input): VCC-: -5 V to VCC+; (3)Differential input voltage: ±30 V; (4)Duration of short-circuit current at (or below) 25℃: Unlimited; (5)Package thermal impedance, θJA: D package: 97℃/W, P package: 85℃/W; (6)Operating virtual junction temperature, TJ: 150℃; (7)Case temperature for 60 seconds: FK package: 260℃; (8)Lead temperature 1,6 mm (1/16 inch) from case for 10 seconds: JG package: 300℃; (9)Storage temperature range, Tstg: -65℃ to 150℃.
Features
LT1013DID features: (1)Single-Supply Operation: Input Voltage Range Extends to Ground; Output Swings to Ground While Sinking Current; (2)Input Offset Voltage: 150 μV Max at 25℃ for LT1013A; (3)Offset-Voltage Temperature Coefficient: 2.5 μV/℃ Max for LT1013A; (4)Input Offset Current: 0.8 nA Max at 25℃ for LT1013A; (5)High Gain: 1.5 V/μV Min (RL = 2 kΩ),; (6)0.8 V/μV Min (RL = 600 kΩ) for LT1013A; (7)Low Supply Current: 0.5 mA Max at TA = 25℃ for LT1013A; (8)Low Peak-to-Peak Noise Voltage: 0.55 μV Typ; (9)Low Current Noise: 0.07 pA/√Hz Typ.
Diagrams

| Image | Part No | Mfg | Description | ![]() |
Pricing (USD) |
Quantity | ||||||||||||
|---|---|---|---|---|---|---|---|---|---|---|---|---|---|---|---|---|---|---|
![]() |
![]() LT1013DID |
![]() Texas Instruments |
![]() Operational Amplifiers - Op Amps Dual Precision |
![]() Data Sheet |
![]()
|
|
||||||||||||
![]() |
![]() LT1013DIDE4 |
![]() Texas Instruments |
![]() Operational Amplifiers - Op Amps Dual Precision Op Amp |
![]() Data Sheet |
![]()
|
|
||||||||||||
![]() |
![]() LT1013DIDR |
![]() Texas Instruments |
![]() Operational Amplifiers - Op Amps Dual Prec Op Amp |
![]() Data Sheet |
![]()
|
|
||||||||||||
![]() |
![]() LT1013DIDG4 |
![]() Texas Instruments |
![]() Operational Amplifiers - Op Amps Dual Prec Op Amp |
![]() Data Sheet |
![]()
|
|
||||||||||||
![]() |
![]() LT1013DIDRE4 |
![]() Texas Instruments |
![]() Operational Amplifiers - Op Amps Dual Precision Op Amp |
![]() Data Sheet |
![]()
|
|
||||||||||||
![]() |
![]() LT1013DIDRG4 |
![]() Texas Instruments |
![]() Operational Amplifiers - Op Amps Dual Prec Op Amp |
![]() Data Sheet |
![]()
|
|
||||||||||||
(China (Mainland))









